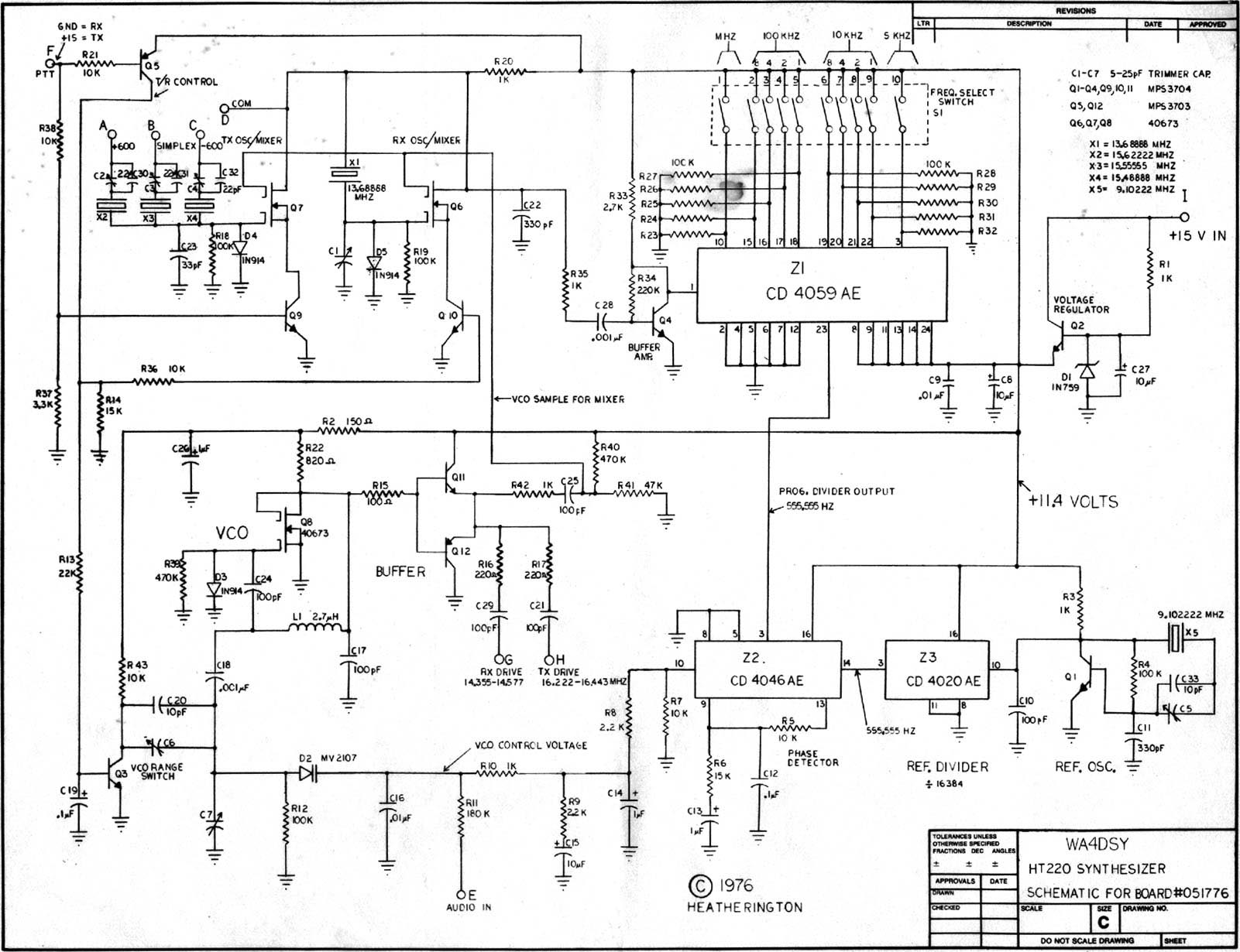
synthesizer diagram

Back to the HT220 Frequency Synthesizer